BH SAFE - Bohumil Hein   |   PRAHA 3, PRAHA 10   |   telefon: 602 960 278   |   mail:
Speciální akce KATEGORIE Aktuality

VHAZOVACÍ sejf s dvouplášťovými dveřmi a certifikovaným zámkem

Ve stálé nabídce máme velmi oblíbený vhozový trezor / sejfík s předním vhozem a ocelovým hřebenem bránící vytažení vhozeného předmětu. Sejf RD 40 je vybaven kvalitním certifikovaným zámkem a je již od výroby připraven pro kotvení do podlahy i zadní stěny . Cena 4789,-Kč bez Dph https://www.novetrezory.cz/vhozovy-sejf-griff-rd-35-i1704.html

více informací ...

GDPR

Ochrana osobních údajů

více informací ...

Trezor s ČASOVÝM ZÁMKEM

Dnešní doba ukázala, že žádná herna, casino, sázková kancelář se neobejde bez trezoru. Nejvhodnější do těchto provozoven jsou trezory vybavené elektronickým zámkem s nastavitelným časovým zpožděním. Hitem v tomto segmentu se stal trezor " Trezor s časovým zámkem / S2 EN 14450 "

více informací ...

Nenechávejte své úspory jen tak ležet. Investujte je raději do zlata na AuPortal.cz

Podle zákona o evidenci tržeb je prodávající povinen vystavit kupujícímu účtenku. Zároveň je povinen zaevidovat přijatou tržbu u správce daně online;
v případě technického výpadku pak nejpozději do 48 hodin.



ihned k odberu
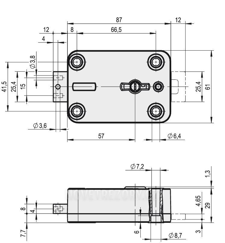
Trezorový zámek STUV IVOX

Trezorový zámek STUV IVOX "B" EN 1300 - motýlkový klíč 115 mm

  •  V x Š x H
  • vnější rozměry ( mm ) x x
  • vnitřní rozměry ( mm ) x x
  • bezpečnostní třída:II.BT EN 1143-1
  • klíčový zámek:ano
  • hmotnost0.3 kg
  • vnitřní objem-
  • cena bez DPH2 355,- Kč
  • cena vč. DPH2 850,- Kč
  • dostupnostskladem
  •  

popis
Klíčový zámek s vyšší bezpečností. Použitelný pro trezory až V.BT. Vrtaná závora pro různé systémy rozvorových mechanismů. Délka klíče 115mm, klíčů 2 kusy, EN 1300 -"B", VdS 2

dotaz
l62k9b3k2  opište pouze označené znaky


Nákupní košík

počet položek : 0 (0ks)
celkem bez DPH : 0 Kč
celkem s DPH : 0 Kč

zobrazit košík
rychlý kontakt

602 960 278

Nepřehlédněte



TOPlist